1 引言
 
醫院用低溫液體通常指的是液氧、液氮、液氦等,在其儲運、銷售和使用過程中,需要對其液位、質量、壓力等參數進行測定, 由于醫用低溫液體的固有物理特性及其所充裝的大型貯槽的特點,實現上述測定的現有測量設備,機械結構均較為復雜,測量精度和可靠性較低,很難與計算機聯網和實現遠程操作與顯示等
[1]。 本研究的目的在于提供一種新型醫院用低溫液體質量測定儀, 以克服現有醫用低溫液體質量測定設備存在的問題與缺點
[2]。 本研究成果已獲得G家實用新型**
 
(**號:ZL200420065326.4)。
 
2 系統硬件設計
 
2.1 整機構造原理簡介
 
如圖 1 所示,貯槽內氣相部分,從液面各點到頂點 A,各點
 
壓強均約等于 A 點處壓強, 傳感器把貯槽內液面各點到底點 B
 
的機械壓力差變成相應大小的電信號。 由于此機械壓力差正比于液體的高度, 所以相應大小的電信號反應了相對應的液面高度。 在已知幾何參數的容器內,所裝液體的體積是關于高度的已知函數,根據已知密度液體的高度可求出該液體的質量,因此,單片機在已知容器幾何參數和液體密度后, 再得到傳感器送來的電信號,即可計算出液體的質量、液位等。
 
2.2 控制電路組成
 
如圖 2 所示,本研制控制部分設有殼體、單片機處理器 
[3]、差
 
壓變送器、鍵盤、實時時鐘電路、存儲器、LCD 顯示器、接口電路
 
 
和電源,差壓變送器、鍵盤、實時時鐘電路的輸出端與單片機處理器的 I/O 接口連接,存儲器、接口電路的 I/O 接口與單片機處理器的 I/O 接口連接,LCD 顯示器的輸入端與單片機處理器的 I/
 
O 接口連接,接口電路的 I/O 接口外接上位機
[4-6]。
 
傳感器選用差壓變送器
[7-8],因為實際使用中 A、B 之間的機械壓力差變化很大,有時**值也很大,差壓變送器抗超負荷能力特別強。 另外, 差壓變送器安裝幾乎對貯槽沒有任何特別要求,有利于整機降低成本和推廣使用。
 
顯示器選用 LCD 顯示器, 接口電路選用 RS-232 或 RS- 485 等。
 
系統單片機對差壓變送器傳輸的信號進行 A/D 轉換、數據
 
篩選和計算,提高數據采集的精度和可靠性
[9-11]。 LCD 可直接顯示液體的種類、質量和液面高度。 貯罐規格改變時,輸入其內徑和高度便可得到其體積參數。 液體種類改變時,只需在鍵盤上重
	
		
			| 新選擇或輸入液體密度。 可實時顯示液體充入和輸出量,也可查 | 
		
			| 詢歷史記錄,還可設定液體高低限報警,方便與計算機聯網、遠 | 
		
			| 程顯示、操作和報警。 |  |  |  |  | 
		
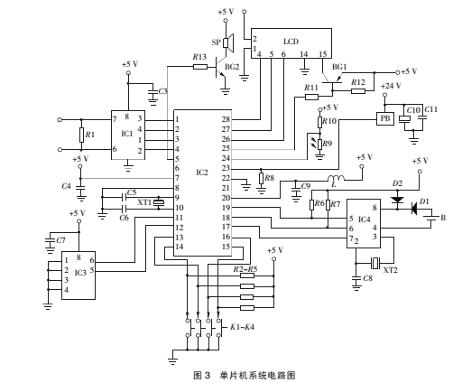
			| 2.3  單片機系統電路工作原理 |  |  |  |  | 
		
			| 如圖 3 所示,系統接通 5 V 直流電源,差壓變送器 PB 接通 | 
		
			| 24 V 直流電源,單片機 IC2 對系統進行自檢。 若有異常,單片機 | 
		
			| IC2 經 R13 由三極管 BG2 驅動喇叭 SP 發出報警聲 , 再通過 | 
		
			| LCD 顯示器用文字顯示報警異常信息, 并由集成電路 IC1 組成 | 
		
			| 的 RS-485 接口電路將報警信息外送上位機; | 若系統正常,LCD | 
		
			| 顯示器用文字顯示正常信號,在鍵盤 K1~K4 上選擇分別輸入液 | 
		
			| 體貯罐的直徑、高度和充裝液體的種類(液氧、液氮或液氦,或輸 | 
		
			| 入液體的密度),單片機 IC2 根據直徑計算出標準橢圓封頭的參 | 
		
			| 數。 差壓變送器 PB 將貯罐內液體高度的壓力差的參數轉換成 | 
		
			| 4~20 mA 的電信號,經精密電阻 R8,產生 0.512~2.56 V 的電壓信 | 
		
			| 號,經 IC2 的 23 腳送入單片機,單片機在設定的時間間隔讀取, | 
		
			| 并將此電壓信號與內部的 2.56 V 的基準電壓比較并進行 A/D 轉 | 
		
			| 換,成為 10 位二進制的數字信號。 鐵電存儲器 IC3 用來記錄液 | 
		
			| 體量和時間、報警信息和報警時間等。 |  |  |  |  | 
	
	
		
			| 位機。 |  | 
		
			| 當單片機在設定的時間內檢測到 R8 的電壓數據是減少 | 
		
			| 時,表明貯罐有液體輸出,讀入此時的電壓值,并進行 A/D 轉換 | 
		
			| 成數字信號,判斷此液面的高度。 若液面低于橢圓封頭的高度, | 
		
			| 則液體的質量按橢圓封頭高度和容積的關系進行計算, 得出容 | 
		
			| 積再乘以密度,即為此時所充裝液體的質量;若液面高過封頭的 | 
		
			| 高度,則液體圓柱部分加上封頭的容積,再乘以密度,即為此時 | 
		
			| 所充裝液體的質量。 當液體量少于設定的值時,單片機經 R13, | 
		
			| 由 BG2 驅動 SP 喇叭發出報警聲,再通過 LCD 顯示器顯示報警 | 
		
			| 信息,并由 IC3 組成的 RS-485 接口電路將報警信息送上位機; | 
		
			| 當液體量多于設定值時, 單片機得到此時所充裝液體的質量數 | 
		
			| 字, 并從 IC4 讀入日期和時間數據, 先存入存儲器 IC3, 再送 | 
		
			| LCD 顯示器顯示, 并通過 IC3 組成的 RS-485 接口電路送上位 | 
		
			| 機。 |  | 
		
			| 在通常情況下,LCD 顯示當前貯罐所充裝液體的質量和占 | 
		
			| 充裝滿罐的百分比。 當需要查詢該貯罐所充裝液體量的數據時, | 
		
			| 在鍵盤上按菜單鍵,LCD 顯示主菜單, 選擇并確認 “液體量查 | 
		
			| 詢”;要查詢液體充入量或液體的輸出量,按上下鍵選擇,并按確 | 
		
			| 認鍵;若是查詢充入量,可查**近幾 | 
		
			| 次液體的充入量和充入時間;若是查 | 
	
	
		
			| 個時間段內液體的輸出量。 |  | 
		
			|  |  | 
		
			|  |  | 
		
			| 當需要改變貯罐或改變充裝的 | 
		
			|  | 
		
			|  |  |  |  | 
		
			| 液體種類時, 在鍵盤上按菜單鍵, | 
		
			| LCD 顯示主菜單,選擇并確認“改變 | 
		
			|  | 
		
			| 參數”, | 要改變貯罐或改變充裝的液 | 
		
			|  |  | 
		
			| 體種類,按上下鍵選擇,并按確認鍵。 | 
		
			|  | 
		
			|  | 
		
			| 若是改變貯罐, 需要輸入并確認密 | 
		
			|  | 
		
			|  | 
		
			| 碼 再輸入貯罐的參數 | 按確認鍵 | 若 | 
		
			|  |  |  | 
		
			| , | , | ; |  | 
		
			| 是改變充裝的液體種類 需要輸入并 | 
		
			|  | 
		
			|  |  | , |  | 
		
			| 確認另一組密碼,再輸入種類或直接 | 
		
			|  | 
		
			|  | 
		
			| 鍵入液體的密度,按確認鍵。 |  | 
		
			|  |  | 
		
			| 光敏電阻 R9 和 R10 組成的分 | 
		
			|  | 
		
			|  | 
		
			| 壓,通過 IC2 的 24 腳輸入,單片機進 | 
		
			|  | 
		
			| 行 A/D 轉換,判斷環境的亮或暗,來 | 
		
			|  | 
		
			|  | 
		
			| 打開或關閉 LCD 的背光。 在 LCD 顯 | 
		
			|  | 
		
			| 示時, 當環境較暗時, | 光敏電阻 R9 | 
		
			| 的阻值增大,單片機 A/D 轉換的數值 | 
		
			|  | 
		
			| 大于設定值時,IC2 置 26 腳為低電 | 
		
			| 平,BG1 導通,LCD 打開背光;反之,則關閉背光。  | 
	
當單片機在設定的時間內檢測到的 R8 的電壓數據是不斷地增加時,表明有液體裝入貯罐內;當電壓數據的增加停止時,表明液體充裝完畢。 單片機讀入此時的電壓值,并進行 A/D 轉換成數字信號,判斷此液面的高度,若液面低于橢圓封頭的高度,則所充裝液體的質量按橢圓封頭高度和容積的關系進行計算,得出容積再乘以密度,即為所裝入液體的質量;若液面高過封頭的高度,則液體圓柱部分加上封頭的容積,再乘以密度,即為所裝入液體的質量。 單片機得到所裝入液體的質量數字,并從實時
 
時鐘集成電路 IC4 讀入日期和時間數據,先存入存儲器 IC3,再
 
送 LCD 顯示器顯示, 并通過 IC3 組成的 RS-485 接口電路送上
2.4 系統各主要元器件的參數
 
圖 3 所示系統的各主要元器件的型號或數值詳見表 1。
 
2.5 軟件設計
 
軟件的主程序包括系統初始化、測量、顯示、報警、通訊等子程序。 系統初始化子程序設置系統初始狀態,測量子程序中包含消除脈沖干擾和 50 Hz 工頻干擾的數字濾波計算程序。 消除脈
 
沖干擾子程序的數字濾波計算程序的算法是: 連續采樣數據 4
 
次,去掉**大值和**小值,計算中間 2 個數的平均值。 消除 50 Hz
 
工頻干擾的數字濾波計算程序的算法采用周期等分和為零的原
理[12]
。

 
